新闻动态

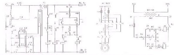
参考:轨道平车控制原理图
用变压器将交流380v的电源电压降至36v,为两相电压,然后分接到两根轨道上,轨道平车通过取电支腿在轨道上取电,将道轨上的交流36V电源引入车载电器箱.
经过整流模块将交流36V整流至直流380V,通过直流控制系统控制直流电机,进而控制平车的启动、停止、前进、后退、调速等。
需绝缘处理轨道,对轨道的铺设有较高的要求,适用于使用频率较高、中长距离运输的场合,但运行距离超过50米,需要增加变压器数量和铜排补偿线来弥补轨道压降。

参考:轨道平车控制原理图
轨道平车总体设计标准
1、电动平车钢结构采用箱梁结构
2、电动平车可实现爬坡的能力
3、电动平车可增加液压升降功能
4、该系列电动平车故障率非常低
轨道平车电机选用标准
1、直流电机制动器为电磁制动器
2、三相电机启动电流小的优点
3、三相电机使用寿命长
4、三相电机自身带有制动器
5、根据要求减速机专用电机的不同类型选择,例如钢厂电动平车专用减速机为特殊定制。
轨道平车减速机选用标准
1、减速机的安装非常方便
2、减速机可以耐一定的温度
3、减速机采用SEW
轨道平车车轮选用标准
1、车轮的材质为:ZG55
2、车轮的表面硬度达到:HB320-380
3、车轮为单轮缘

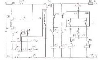
参考:轨道平车控制原理图
简单的参考配置表:
平车型号 |
KPDZ-5T |
额定载重量(t) |
5 |
台面尺寸(mm) |
3500*2000*450 |
轮距(mm) |
2500 |
轨内侧距(mm) |
1435 |
车轮直径(mm) |
Ф300 |
车轮数量 |
4 |
离地间隙(mm) |
50 |
运行速度(m/min) |
0-25 |
变压器功率(KVA) |
5 |
变压器数量(个) |
1 |
续航里程(Km) |
1.2 |
运行长度 |
80 |
轮压(KN) |
25.8 |
参考重量 |
3.6 |
交货期(天) |
30 |
荐用道轨型号 |
P18 |
非标定制:1、载重量、台面尺寸 2、平车部件均可由客户指定 |
|

参考:轨道平车控制原理图
轨道平车的电气控制系统,一个小继电器交流接触器,控制电平回道业主从远程控制运行。小的继电器控制信号来控制交流接触器触点打开封闭状态和导电主电机扭转阻力停车,然后到达前进,后退和停止电动车远程控制,以防止在并行控制手动控制按钮和遥控器的输出端,以便并列存在。


